Difference between revisions of "Tiny Tester"
| Line 2: | Line 2: | ||
| __TOC__ | | __TOC__ | ||
|} | |} | ||
| − | The | + | The [[JMK PCBs]] Tiny Tester. It's an oscillator that creates a single test tone. |
| − | This project will be the basis of our first YouTube video | + | This project will be the basis of our first YouTube video! Woohoo! |
== Description == | == Description == | ||
| Line 19: | Line 19: | ||
== Operation == | == Operation == | ||
| + | Based on the output mode switch, this signal can be directed to an instrument cable, or to the probe. | ||
=== Instrument === | === Instrument === | ||
Switch the '''Output Mode''' to "Instrument" and use an instrument cable plugged into the 1/4" jack. The Tiny Tester's test signal will be routed through the 1/4" jack for plugging into an effect with an input jack for testing. | Switch the '''Output Mode''' to "Instrument" and use an instrument cable plugged into the 1/4" jack. The Tiny Tester's test signal will be routed through the 1/4" jack for plugging into an effect with an input jack for testing. | ||
Revision as of 03:29, 11 January 2026
The JMK PCBs Tiny Tester. It's an oscillator that creates a single test tone.
This project will be the basis of our first YouTube video! Woohoo!
Description
This is a small, self-contained oscillator PCB for creating a test signal in order to troubleshoot any problems in our audio electronics.
Controls
- Knob 1 - "Level": Controls the output level of the generated tone
- Switch 1 - "Output Mode": Two-way toggle to switch between the instrument jack output, or the probe output.
Function
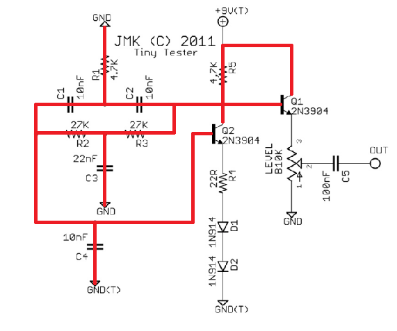
Note that the red-highlighted portions of the circuit diagram make a constant feedback loop. This feedback loop causes the signal (as tuned by the capacitors) to oscillate. In doing so, an electronic AC audio tone is created that can be sent through effects or speakers.
Operation
Based on the output mode switch, this signal can be directed to an instrument cable, or to the probe.
Instrument
Switch the Output Mode to "Instrument" and use an instrument cable plugged into the 1/4" jack. The Tiny Tester's test signal will be routed through the 1/4" jack for plugging into an effect with an input jack for testing.
Probe
We think this is the most useful application of the Tiny Tester for troubleshooting effects. Our JMKPCBs Testing Rig uses a probe to LISTEN for where a signal stops. When Probe Mode is switched on the Tiny Tester, the probe can then be used to INJECT a test signal at any point along a PCB's architecture. The main use would be if you don't have any active electronics installed into your effect, but you want to make sure signal is getting through the various parts of the circuit in between those active electronics. When used to its fullest capability in tandem with the Testing Rig, it should be possible to both inject a test signal, and then listen for the same signal, so as to verify where problems may be happening in our assembly. As such, the Tiny Tester is essentially a continuity tester.
Build Details
| Item | Value |
|---|---|
| PCB Creator | JMK PCBs |
| PCB Dimensions | 15/16" x 1-1/16" (SAE) 20 mm x 23 mm (metric) |
| Enclosure Size | PCB to share 1590B enclosure with Madbean Roadrage power supply. |
| Enclosure Orientation | Portrait |
| Power Adapter | 9 volts, Standard Boss "barrel-negative" supply 9-volt battery snap available |
| Power Consumption | 'XXX' milliamps |
